公司简介
企业文化
经营历程
人才招聘
yo米直播赛事
app优米
线路板连接器
卓能重载连接器
金笔家电灯饰配件
nba优米直播
行业动态
常见问题
插拔式接线端子-插头
插拔式接线端子-插座
印刷电路板式端子
变压器端子
穿墙式端子
栅板式端子
导轨式端子
中继端子
电子外壳
其他
结构C
结构C/2
结构C/3
结构B
结构B/2
结构Q
结构Q/2
结构R
结构R/2
结构F
结构H15
I/O连接器
板间连接器
重载连接器插头
重载连接器插座
闭端端子
端子台
弹簧螺式接线头
插线式接线头
线扣/护线套
优米app下载安装
地址:上海市普陀区同普路299弄3号楼1501
邮箱:sales02@zndlj-china.com
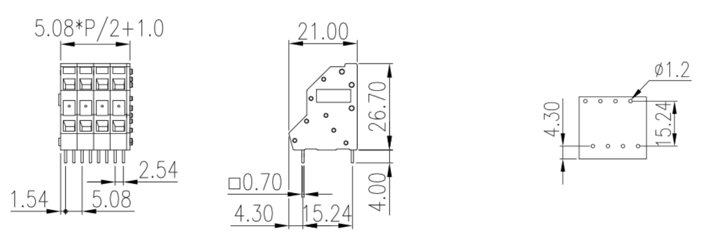
系列:回拉弹片式印刷电路板端子
厂商:町洋
型号:WKK508
间距:5.08mm
位数:02P~66P
热线电话
150-2119-1820
上班时间
8:30--17:00